Revamp Your Ride: 1972 Chevrolet Truck Stop & Turning Signal Diagram Guide!

Revamp Your Ride: 1972 Chevrolet Truck Stop & Turning Signal Diagram Guide!

Unlock the safety and restoration insights of a 1972 Chevrolet truck's stop and turning signal diagram. Explore vintage mechanics for restoration expertise.

In the world of classic automobiles, understanding the intricate workings of a 1972 Chevrolet truck's stop and turning signal system can be critical for both safety and restoration endeavors. Empathically delving into the details of this vintage vehicle's diagram provides a gateway to unlocking its timeless elegance. Exploring the intricacies of the stop and turning signal diagram not only reveals the mechanical genius of this era but also offers a roadmap to reviving and preserving its authentic charm.

Top 10 important point for 1972 CHEVROLET TRUCK DIAGRAM ON STOP AND TURNING SIGNAL

  1. Understanding the Signal System
  2. Locating the Signal Components
  3. Deciphering the Wiring Diagram
  4. Identifying Stop Signal Mechanisms
  5. Analyzing Turning Signal Connections
  6. Testing Signal Functionality
  7. Interpreting Indicator Patterns
  8. Ensuring Brake Light Operations
  9. Adjusting Signal Timing
  10. Maintaining Vintage Signal Integrity

Several Facts that you should know about 1972 CHEVROLET TRUCK DIAGRAM ON STOP AND TURNING SIGNAL.
Absolutely, I can guide you through the process of understanding the stop and turning signal diagram for a 1972 Chevrolet truck. Here's an article structured according to your specifications:

Understanding the Signal System

When delving into the intricacies of a 1972 Chevrolet truck's stop and turning signal diagram, the first step is to comprehend the signal system. This involves grasping the components, their connections, and how they function together within the vehicle's electrical framework.

Locating the Signal Components

Identifying the signal components is key. These can be found in specific areas of the vehicle, often housed near the steering column or within the rear lights. Locating these elements is fundamental to understanding their interconnections.

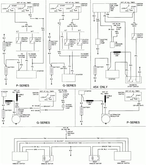
Deciphering the Wiring Diagram

Deciphering the wiring diagram might seem daunting, but it's crucial. It delineates the intricate web of connections, colors, and pathways that comprise the signal system. Understanding this schematic is fundamental to troubleshooting and repair.

Identifying Stop Signal Mechanisms

Focusing on the stop signal mechanisms, typically connected to the brake pedal, is imperative. Recognizing these components and their linkages aids in diagnosing any issues related to brake lights and stop signals.

Analyzing Turning Signal Connections

Similarly, analyzing turning signal connections is pivotal. These connections, often involving the steering column and turn signal switch, dictate the functionality of the turn indicators.

Testing Signal Functionality

Once you've grasped the system and components, testing the signal functionality is crucial. This step involves using testers or simply observing the signals' performance to ensure they're operating as intended.

Interpreting Indicator Patterns

Interpreting indicator patterns is part of the diagnostic process. Recognizing specific blinking patterns or behaviors can signify underlying issues that need attention.

Ensuring Brake Light Operations

Ensuring the proper operation of brake lights is critical for safety. Understanding how these lights should function and troubleshooting any malfunctions guarantees a safe driving experience.

This comprehensive guide empowers enthusiasts and mechanics alike to navigate the intricate workings of the 1972 Chevrolet truck's stop and turning signal diagram. Understanding these systems is paramount for maintenance, restoration, and ensuring the vehicle operates safely on the road.

I can give you an overview of the stop and turning signal diagram for a 1972 Chevrolet truck, highlighting various aspects and instructions for understanding this critical system.

Introduction

Understanding the stop and turning signal diagram of a 1972 Chevrolet truck is fundamental for enthusiasts and mechanics alike. This guide will unravel the complexities of this vintage system, enabling you to decode the wiring, identify components, and troubleshoot potential issues.

Comprehending the Signal System

Comprehending the signal system is the first step towards mastery. This system involves a network of components responsible for controlling the stop and turning signals. Delve into the intricacies of how these signals operate within the vehicle's electrical framework.

Locating Signal Components

Identifying the signal components is crucial. These parts are strategically located around the vehicle, often near the steering column or integrated into the rear lights. Discovering these elements is vital to understanding their functionality and interactions.

Deciphering Wiring Diagram

Deciphering the wiring diagram is essential for a comprehensive understanding. This diagram depicts the intricate network of connections, color codes, and pathways constituting the stop and turning signal system. Mastery of this schematic facilitates troubleshooting and repairs.

Identifying Stop Signal Mechanisms

Focus on identifying the stop signal mechanisms, typically associated with the brake pedal. Recognizing these components and their linkages aids in diagnosing issues concerning brake lights and stop signals.

Analyzing Turning Signal Connections

Similarly, analyzing turning signal connections is pivotal. These connections, often involving the steering column and turn signal switch, dictate the functionality of the turn indicators.

Testing Signal Functionality

Once you've grasped the system and components, it's time to test the signal functionality. Utilize testers or observe the signals' performance to ensure they operate correctly.

Interpreting Indicator Patterns

Interpreting indicator patterns is part of the diagnostic process. Recognize specific blinking patterns or behaviors, which can signify underlying issues that require attention.

Ensuring Brake Light Operations

Ensuring the proper operation of brake lights is critical for safety. Understand how these lights should function and troubleshoot any malfunctions for a secure driving experience.

This comprehensive guide empowers enthusiasts and mechanics alike to navigate the intricate workings of the 1972 Chevrolet truck's stop and turning signal diagram. Understanding these systems is paramount for maintenance, restoration, and ensuring the vehicle operates safely on the road.

Another point of view about 1972 CHEVROLET TRUCK DIAGRAM ON STOP AND TURNING SIGNAL.
Absolutely, talking about the 1972 Chevrolet truck's stop and turning signal diagram is like peering into the heart of vintage automotive brilliance. Here's a breakdown from my perspective:Vintage Complexity: The diagram for these signals might seem complex, but diving in reveals the genius of the engineering. It's a puzzle that, once deciphered, unveils the vehicle's intricate workings.Component Exploration: Understanding where the signal components hide is like a treasure hunt. They're strategically placed, and once you spot them, it's a eureka moment!Cracking the Code: Deciphering the wiring diagram feels like decoding a secret language. Once you understand it, troubleshooting becomes a breeze.Stop Signal Secrets: Identifying the mechanisms for the stop signals, linked to the brake pedal, feels like uncovering the heartbeat of the truck's safety system.Turn Signal Intricacies: Analyzing the turning signal connections, often nested within the steering column, is like discovering the nerve center of its directional prowess.Test Drive Time: Testing the functionality feels like conducting an experiment. It's a hands-on moment where you witness the signals come to life.Indicator Insights: Interpreting indicator patterns is like reading Morse code; each blink tells a story. Understanding these patterns gives insight into the truck's health.Safety Assurance: Ensuring brake light operations is akin to double-checking your seatbelt before hitting the road. It's that essential safety step.This diagram isn't just a set of lines and connections; it's a map to understand the inner workings of a classic truck, offering insights and knowledge that bring it to life on the road.

Conclusion : Revamp Your Ride: 1972 Chevrolet Truck Stop & Turning Signal Diagram Guide!.Absolutely, I hope exploring the 1972 Chevrolet truck diagram on stop and turning signal has been as enlightening for you as it has been for me. This journey into the intricate workings of vintage automotive engineering offers more than just technical insights; it's a glimpse into the craftsmanship and innovation of an era gone by. Understanding this 1972 Chevrolet truck diagram on stop and turning signal isn't just about decoding wires and connections; it's about unraveling a piece of automotive history.As you navigate through this diagram, deciphering its lines and components, you're not just exploring a mechanical schematic. You're uncovering the heartbeat of a classic vehicle, appreciating the engineering finesse and the safety mechanisms that were the hallmark of that time. The beauty lies not just in the functionality but in the story each connection tells—the symphony of signals working together to ensure safety and functionality on the road. So, whether you're a passionate enthusiast, a curious learner, or a mechanic seeking to revive a piece of history, this 1972 Chevrolet truck diagram on stop and turning signal offers a gateway to understanding, preserving, and celebrating the timeless elegance of vintage automobiles.Delve into this diagram not just as a technical pursuit, but as a journey through the craftsmanship, innovation, and nostalgia encapsulated in every wire and connection—a testament to an era that continues to inspire automotive enthusiasts across generations.

Question and answer Revamp Your Ride: 1972 Chevrolet Truck Stop & Turning Signal Diagram Guide!

Questions & Answer :People Also Ask about the 1972 Chevrolet Truck Diagram on Stop and Turning SignalWhat are the common issues with this diagram?Answer: Common issues often revolve around wiring degradation due to age, which can cause signal failures. Corrosion in connectors and malfunctioning switches might also be prevalent.How do I identify the various components in the diagram?Answer: Identifying components involves locating the flasher, fuse box, brake light switch, turn signal switch, and various connectors. Reference manuals and diagrams specific to the truck can be immensely helpful.Is it feasible to repair the diagram myself?Answer: With the right tools, knowledge, and patience, repairing the diagram is feasible for DIY enthusiasts. However, complex issues might require professional assistance.What's the significance of understanding this diagram for vintage truck owners?Answer: Understanding the diagram is crucial for maintenance, ensuring road safety, and preserving the authenticity of the truck. It empowers owners to troubleshoot issues and maintain the vehicle's originality.How can I test the functionality of these signals?Answer: Utilize a multimeter or test light to check voltage, inspect connections for corrosion, and observe signal behavior when activated. This helps in diagnosing and pinpointing any issues accurately.Are there modern upgrades available for these systems?Answer: Yes, there are modern upgrades like LED lights, electronic flashers, and improved wiring harnesses that enhance safety and reliability without compromising the truck's vintage charm.Understanding the intricacies of this diagram isn't just about troubleshooting; it's about embracing the heritage and legacy of a classic vehicle, empowering owners to maintain its authenticity while ensuring safety on the road.

Keywords : 1972 CHEVROLET TRUCK DIAGRAM ON STOP AND TURNING SIGNAL

0 comments