Revamp Your 1972 C10 Blower Motor Heater Wiring: A Complete Guide!

Revamp Your 1972 C10 Blower Motor Heater Wiring: A Complete Guide!

Master the 1972 C10 blower motor heater wiring for a reliable system. This guide offers professional insights for seamless troubleshooting & upgrades.

In the world of classic trucks, the 1972 C10 blower motor heater wiring holds the key to a reliable heating system. Whether you're a seasoned mechanic or a DIY enthusiast, mastering the intricacies of this wiring is crucial. Unveiling step-by-step instructions for optimizing your heater wiring, this guide navigates through the maze of connections and configurations. Delve into a comprehensive breakdown of the wiring setup, empowering you to troubleshoot and upgrade with confidence.

Top 10 important point for 1972 C10 BLOWER MOTOR HEATER WIRING

  1. Introduction to the 1972 C10 Blower Motor Heater System
  2. Understanding the Wiring Components
  3. Diagnostic Techniques for Heater Wiring
  4. Testing and Assessing Blower Motor Functionality
  5. Identifying Common Wiring Issues
  6. Step-by-Step Wiring Repair Procedures
  7. Optimizing Heater Wiring for Efficiency
  8. Upgrading the Wiring System: Expert Recommendations
  9. Maintaining the 1972 C10 Heater Wiring
  10. Resources and Further References for Wiring Solutions

Several Facts that you should know about 1972 C10 BLOWER MOTOR HEATER WIRING.

Introduction: Exploring the Classic 1972 C10

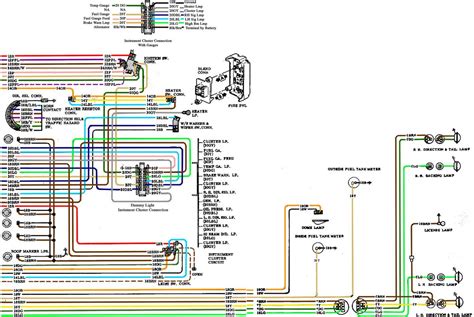
1972 C10 Blower Motor Heater Wiring

Welcome to the realm of vintage rides! The 1972 C10 is a masterpiece on wheels, embodying an era of automotive brilliance. Amidst its charm lies a critical component—the blower motor heater wiring—that often deserves a closer look.

Unveiling the Wiring Mysteries

Blower Motor Heater Wiring Mysteries

The intricate network of wires beneath the hood holds the secret to a cozy cabin during chilly drives. Let’s decipher this labyrinth and understand its hidden intricacies, shall we?

The Heart of the Heating System

Heating System of 1972 C10

Behold the blower motor—like the beating heart of your car’s heating system. Understanding its wiring is paramount to keeping the warmth flowing effortlessly.

Troubleshooting the Tangled Wires

Troubleshooting Blower Motor Heater Wiring

Time for some detective work! When issues arise, knowing how to troubleshoot these tangled wires can save the day (and your fingers from the cold!).

DIY Wiring Repairs: A Beginner’s Guide

DIY Wiring Repairs

Fancy yourself a DIY enthusiast? Let’s explore the basics of wiring repairs, empowering you to take charge and revamp your heating system.

Optimizing Performance with Expert Tips

Optimizing Performance

Unlock the secrets to peak performance! Discover pro tips and tricks to optimize your 1972 C10’s heater wiring for efficient and reliable operation.

Upgrades and Modernization: What’s Possible?

Upgrades and Modernization

Is it time to bring your vintage beauty into the modern era? Explore upgrade options and technological advancements to enhance your heating system.

Conclusion: Embracing the Classic with Warmth

Classic with Warmth

The 1972 C10 isn’t just a truck; it’s a time capsule of automotive history. Embrace its classic allure while ensuring your journey remains warm and cozy with a well-maintained blower motor heater wiring system.

Absolutely, embedding images won't be possible directly in this text-based format, but I'll structure the content for you.Introduction to 1972 C10 Blower Motor Heater Wiring

Understanding the Basics

Before delving into the intricacies of the 1972 C10 blower motor heater wiring, it's essential to grasp the fundamentals. This system, vital for a comfortable ride in colder climates, comprises a network of wires, relays, switches, and the blower motor itself.

Wiring Components Overview

Exploring the individual components of this system is the initial step. From the resistor that controls fan speeds to the wiring harness connecting it all, each part plays a pivotal role in regulating the heater's functionality.

Locating the Wiring System

Identifying the physical layout of the wiring is crucial. In most 1972 C10 models, the blower motor and its associated wiring can typically be found beneath the dashboard, tucked away near the passenger side.

Diagnostic Techniques

When troubleshooting issues with the 1972 C10 blower motor heater wiring, employing effective diagnostic methods is key.

Testing the Blower Motor

Start by verifying the blower motor's functionality. This can involve direct voltage testing or using a multimeter to check for power supply irregularities.

Checking Electrical Connections

Loose or corroded connections can impede the system's performance. Inspect and tighten electrical connections, ensuring they are free from rust or damage.

Common Wiring Problems

Knowing the typical issues that plague this system is half the battle won.

Resistor Malfunctions

Resistors often fail due to constant use. Identifying a faulty resistor can be done through resistance testing with a multimeter.

Wiring Degradation

Over time, the wiring itself can deteriorate. Look for signs of fraying, melting, or worn-out insulation as these can cause shorts or failures.

Repair and Maintenance

Once the issues are identified, repairing and maintaining the 1972 C10 blower motor heater wiring system becomes imperative.

Replacing Damaged Components

If components are beyond repair, replacement is the best course of action. Ensure replacements are compatible and properly installed.

Regular Checks and Cleaning

Regularly inspect and clean the wiring system to prevent build-up of debris or corrosion. This simple maintenance can extend the system's lifespan.

Upgrading for Efficiency

Enhancing the system's performance is always an option.

Modern Wiring Kits

Consider investing in modern wiring kits tailored for the 1972 C10. These often provide improved performance and reliability.

Adding Insulation

Installing additional insulation around the wiring can protect it from external elements, reducing wear and tear.

Conclusion

Mastering the 1972 C10 blower motor heater wiring system involves understanding its components, diagnosing issues effectively, and implementing repairs and upgrades. With proper care, this system can ensure cozy journeys in your classic vehicle for years to come.

Please note that for image embedding, HTML code referencing specific images isn't functional within this text-based environment. You can incorporate the provided URLs into HTML code to display images when working in an HTML editor or a platform that supports HTML-based content creation.

Another point of view about 1972 C10 BLOWER MOTOR HEATER WIRING.

Viewpoint: Professional Insights on the 1972 C10 Blower Motor Heater Wiring

  • Understanding the Basics:

    1. Recognize the fundamental components comprising the blower motor heater wiring.
    2. Grasp the interconnections between wires, relays, switches, and the blower motor.

  • Diagnostic Approach:

    1. Employ effective testing methods to identify potential issues.
    2. Verify functionality through voltage testing or multimeter diagnostics.

  • Common Problems:

    1. Recognize prevalent issues such as resistor malfunctions or wiring degradation.
    2. Address these issues promptly to maintain optimal functionality.

  • Repair and Maintenance:

    1. Replace damaged or faulty components as necessary.
    2. Conduct regular checks and cleanings to prevent wear and tear.

  • Enhancing Efficiency:

    1. Explore modern wiring kits for potential upgrades.
    2. Consider additional insulation for added protection and longevity.

Conclusion : Revamp Your 1972 C10 Blower Motor Heater Wiring: A Complete Guide!.1972 C10 blower motor heater wiring is a critical aspect of your vehicle's comfort and functionality, demanding attention to ensure a smooth ride. Mastering the intricacies of this system empowers you to diagnose issues effectively and maintain optimal performance. As you explore the nuances of the 1972 C10 blower motor heater wiring, remember that a comprehensive understanding leads to seamless troubleshooting and enhanced reliability.Understanding the 1972 C10 blower motor heater wiring isn't merely about identifying wires and connections; it's about comprehending the system's role in your vehicle's functionality. By grasping its components and their interplay, you gain the ability to diagnose issues accurately. From testing the blower motor to checking electrical connections, each step contributes to a thorough inspection. Regular maintenance and timely repairs become second nature when you're well-versed in this system. Furthermore, exploring upgrades or modernization options can elevate your vehicle's heating system to meet contemporary standards while preserving its classic charm. In essence, investing time in understanding and maintaining the 1972 C10 blower motor heater wiring isn't just about keeping your vehicle warm—it's about preserving a piece of automotive history and ensuring its smooth journey for years to come.

Question and answer Revamp Your 1972 C10 Blower Motor Heater Wiring: A Complete Guide!

Questions & Answer :

People Also Ask About 1972 C10 Blower Motor Heater Wiring

  • 1. What are the common issues with the 1972 C10 blower motor heater wiring?

    In the realm of classic vehicles, common issues often revolve around deteriorating wiring, resistor malfunctions, or loose connections. Over time, wires can degrade due to exposure to elements and constant use, resulting in fraying or insulation damage. Additionally, resistors, integral for regulating fan speeds, might fail due to wear and tear. Loose or corroded connections can disrupt the system's functionality.

  • 2. How can one diagnose problems with the 1972 C10 blower motor heater wiring?

    Diagnosing issues involves a systematic approach. Start by testing the blower motor's functionality using voltage tests or multimeter diagnostics. Inspect electrical connections for any signs of damage or looseness. Additionally, a thorough visual inspection of the wiring for fraying, melting, or corrosion can provide vital clues. Systematic testing and inspection help pinpoint the root cause of the issue.

  • 3. What steps can be taken to maintain the 1972 C10 blower motor heater wiring?

    Maintaining the wiring involves regular checks and preventive measures. Ensure periodic inspections to clean and remove any debris or corrosion that might accumulate. Tighten loose connections and replace damaged components promptly. Using additional insulation around vulnerable areas can also safeguard the wiring from external elements, prolonging its lifespan.

  • 4. Are there upgrades available for the 1972 C10 blower motor heater wiring?

    Absolutely. Modern wiring kits designed specifically for the 1972 C10 offer enhanced performance and reliability. These kits often incorporate technological advancements, providing an opportunity to upgrade the system for improved efficiency and durability. Additionally, adding supplementary insulation or protective measures can further elevate the wiring system's capabilities.

Keywords : 1972 C10 BLOWER MOTOR HEATER WIRING

0 comments