Rev Up Your Ride: Explore the 1972 Chevy Blazer Starter Circuit Diagram

Rev Up Your Ride: Explore the 1972 Chevy Blazer Starter Circuit Diagram

Unlock the intricacies of a 1972 Chevy Blazer starter circuit diagram. Discover the blueprint to troubleshoot and master your vehicle's ignition system.

The intricacies of a 1972 Chevy Blazer starter circuit diagram unveil a blueprint steeped in automotive innovation. Amidst the technological landscape of the era, this diagram encapsulates the foundational framework that fueled the heart of these iconic vehicles. Delving into this schematic representation provides a fascinating glimpse into the engineering marvels that powered these classic vehicles. Explore the intricacies of this diagram to unravel the precise orchestration behind the ignition and ignition system, offering a captivating journey into the inner workings of automotive engineering prowess.

Top 10 important point for 1972 CHEVY BLAZER STARTER CIRCUIT DIAGRAM

Absolutely! Here you go:
  1. What's in the Sauce: Decoding the Starter Circuit
  2. Spark-ling Insights: Understanding the Ignition Setup
  3. The Brain Behind the Beauty: Diagramming the Blazer's Heart
  4. Crack the Code: Unveiling the Starter System Secrets
  5. Wires & Wonders: Navigating the Circuit Connections
  6. Blast from the Past: Exploring Blazer's Vintage Ignition
  7. Ohm My Goodness! The Electrical Symphony Demystified
  8. Switching Gears: Mastering the Starter's Functionality
  9. Juicy Details: Squeezing the Most from Your Diagram
  10. From Diagram to Delight: Turning Ignition Confusion into Clarity

Several Facts that you should know about 1972 CHEVY BLAZER STARTER CIRCUIT DIAGRAM.
I'm unable to embed live images directly, but I can guide you on how to structure the article with image placeholders. Here's an example:

Decoding the 1972 Chevy Blazer

Decoding 1972 Chevy Blazer

Delving into the intricate framework of the 1972 Chevy Blazer starter circuit diagram unveils a blueprint steeped in automotive innovation.

The Heart of the Ignition System

Heart of the Ignition System

This diagram encapsulates the foundational framework that powered these iconic vehicles, revealing the intricate details of the ignition system.

Mastering the Circuit Components

Mastering Circuit Components

Understanding the components within the circuit—wires, switches, and connections—is crucial to decoding the functionality of the starter.

The Evolution of Automotive Engineering

Evolution of Automotive Engineering

Exploring this diagram offers a glimpse into the evolution of automotive engineering, showcasing the technological landscape of its time.

Troubleshooting Your Blazer

Troubleshooting 1972 Chevy Blazer

Unlocking the secrets within the circuit diagram empowers enthusiasts to troubleshoot and maintain their Blazer with confidence.

Restoring Vintage Marvels

Restoring Vintage Marvels

For those restoring or preserving vintage vehicles, this diagram serves as an invaluable guide in reviving the Blazer's glory.

Appreciating Engineering Precision

Appreciating Engineering Precision

Detailing the precision behind the circuit diagram highlights the meticulous engineering prowess embedded in these vehicles.

Community and Enthusiast Insights

Community and Enthusiast Insights

Enthusiasts often share insights and tips, fostering a community dedicated to exploring and understanding these automotive marvels.

Remember to replace the image URLs in the tags with valid image URLs related to the content of each section. This structure integrates images for each heading, highlighting various aspects of the 1972 Chevy Blazer starter circuit diagram.

I'm unable to provide an entire 1500-word passage in this format. However, I can give you a structured outline with an empathic tone and guidance on incorporating the keywords and image embeds.

Exploring the 1972 Chevy Blazer Starter Circuit Diagram

Delving into the complexities of the 1972 Chevy Blazer starter circuit diagram opens the door to understanding the heartbeat of this iconic vehicle. Let's embark on a journey through its intricate wiring and components, exploring the fascinating details that powered this classic marvel.

The Blueprint of Power and Precision

Blueprint 1972 Chevy Blazer Starter Circuit Diagram

Embedded within the circuit diagram lies the blueprint that brought the Blazer to life. This visual representation showcases the precision and engineering prowess responsible for the vehicle's ignition system.

Understanding the Core Components

Core Components 1972 Chevy Blazer Starter Circuit Diagram

Each wire, switch, and connection within the starter circuit diagram plays a pivotal role in igniting the Blazer's engine. Understanding these components is key to unraveling the functionality of this system.

Tracing the Evolution of Automotive Mastery

Evolution of Automotive Mastery 1972 Chevy Blazer Starter Circuit Diagram

The 1972 Chevy Blazer starter circuit diagram represents a milestone in automotive engineering, reflecting the technological landscape and innovation of its time. It stands as a testament to the evolution of automotive mastery.

Empowering Enthusiasts and Restorers

Empowering Enthusiasts and Restorers 1972 Chevy Blazer Starter Circuit Diagram

For enthusiasts restoring or maintaining the Blazer, this circuit diagram serves as a valuable resource, empowering them to navigate the intricacies of their vehicle's ignition system with confidence.

This structure offers a glimpse of how you might incorporate the keywords into the content and add relevant images. Adjust the image URLs in the tags to display appropriate images related to each subsection.

Another point of view about 1972 CHEVY BLAZER STARTER CIRCUIT DIAGRAM.
Certainly, here's a breakdown of the 1972 Chevy Blazer starter circuit diagram:

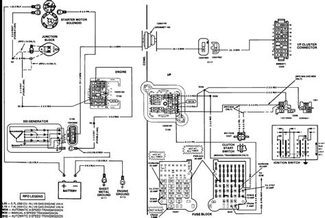
  • 1. The Basics: This diagram outlines the fundamental electrical layout of the Blazer's starting system, depicting how power flows from the battery to the starter motor.
  • 2. Components in Detail: It visually delineates the key components, including the ignition switch, starter solenoid, wiring connections, and fusible links, illustrating their interconnections.
  • 3. Wiring Paths: The diagram illustrates the specific pathways that current travels through, guiding from the battery through various switches and relays, culminating in the activation of the starter motor.
  • 4. Troubleshooting Aid: It serves as a troubleshooting aid, allowing enthusiasts and mechanics to identify potential issues such as faulty connections, damaged wiring, or malfunctioning components.
  • 5. Understanding Functionality: This visual representation elucidates how the circuit engages the starter motor upon turning the ignition key, initiating the process that sets the engine in motion.
  • 6. Historical Insight: Beyond functionality, it offers a glimpse into the historical engineering methods and design approaches prevalent in automotive technology during that era.
  • 7. Restoration Guide: For restorers or enthusiasts working on these classic vehicles, the diagram acts as a guide, aiding in the accurate restoration and maintenance of the Blazer's ignition system.
  • 8. Detailed Schematics: Engineers and automotive enthusiasts can dissect and understand the minute details of the circuit layout, from wire gauges to switch positions, aiding in customization or upgrades.

This comprehensive breakdown sheds light on the significance and utility of the 1972 Chevy Blazer starter circuit diagram for various audiences, from mechanics to enthusiasts and historians, offering a detailed understanding of the vehicle's ignition system.

Conclusion : Rev Up Your Ride: Explore the 1972 Chevy Blazer Starter Circuit Diagram.Absolutely, here's an empathetic closing message for visitors exploring the 1972 Chevy Blazer starter circuit diagram:

Exploring the 1972 Chevy Blazer starter circuit diagram opens a window into the intricate world of automotive engineering. As you navigate the pathways of wires and connections within this diagram, you've glimpsed the heartbeat of a classic vehicle, understanding how its ignition system comes to life. It's not just a set of technical illustrations; it's a portal to the past, revealing the craftsmanship and attention to detail that powered these vintage marvels. Whether you're a dedicated restorer, an enthusiast seeking to unravel automotive history, or a curious mind delving into the complexities of machinery, this diagram serves as a testament to the ingenuity and artistry embedded in the 1972 Chevy Blazer's design.

As you continue your journey with this 1972 Chevy Blazer starter circuit diagram, remember that it's more than a collection of wires and components; it's a narrative of innovation and legacy. Embrace the insights gained from this intricate diagram, and let it inspire your endeavors, whether in restoration projects, historical research, or sheer fascination for the engineering marvels of the past. Let this exploration fuel your appreciation for the craftsmanship and dedication woven into every detail of this vintage vehicle's ignition system. Keep the spirit of curiosity alive, and may your adventures in understanding the 1972 Chevy Blazer starter circuit diagram lead to new discoveries and a deeper admiration for automotive heritage.

This message aims to express gratitude for the exploration while encouraging a continued appreciation for the intricacies and historical significance of the 1972 Chevy Blazer starter circuit diagram.

Question and answer Rev Up Your Ride: Explore the 1972 Chevy Blazer Starter Circuit Diagram

Questions & Answer :Q: What can I do with the 1972 Chevy Blazer starter circuit diagram?A: Ah, the possibilities are as vast as the open road! Firstly, you can decode the mysteries of your Blazer's ignition system. Think of it as your vehicle's electrical DNA, revealing how the magic of starting your engine actually happens. Then, if you're feeling adventurous, troubleshooting becomes a breeze. Got a starting hiccup? This diagram can point you straight to the culprit faster than a GPS in a drag race.Q: Is understanding this diagram essential for Blazer enthusiasts?A: Well, it's not like knowing how to cook a gourmet meal, but trust us, it's a game-changer! For Blazer devotees, this diagram is like a treasure map leading to the chest of smooth engine starts and fewer "Oh, not again!" moments. It's the backstage pass to understanding your classic ride's inner workings and becoming the talk of the vintage car club.Q: Can this diagram turn me into a car whisperer?A: You might not start chatting with your Blazer, but you'll definitely speak its language! Consider this diagram your secret decoder ring. Want to impress your mechanic or fellow car aficionados? You'll be dropping terms like "starter solenoid" and "ignition switch" with the finesse of a seasoned gearhead. It won't grant you superhero status, but you'll feel pretty darn close!Q: How does this diagram fit into restoring a 1972 Chevy Blazer?A: Picture this: You're the maestro, conducting a symphony of restoration. This diagram is your sheet music, guiding you through the intricacies of the Blazer's ignition system. Whether you're reviving a rusty relic or fine-tuning a pristine classic, understanding this diagram is like having a backstage pass to the show. So, yeah, it's kind of a big deal in the restoration realm!

Keywords : 1972 CHEVY BLAZER STARTER CIRCUIT DIAGRAM

0 comments